


技术参数:
额定:10mA 5V DC
使用温度范围:–40? to +85℃
输出电压:1mA 5V DC(电阻负载)时 2.5V以下
绝缘电阻:100M?min. 250V DC
耐电压:300V AC for 1minute
操作寿命:50,000cycles
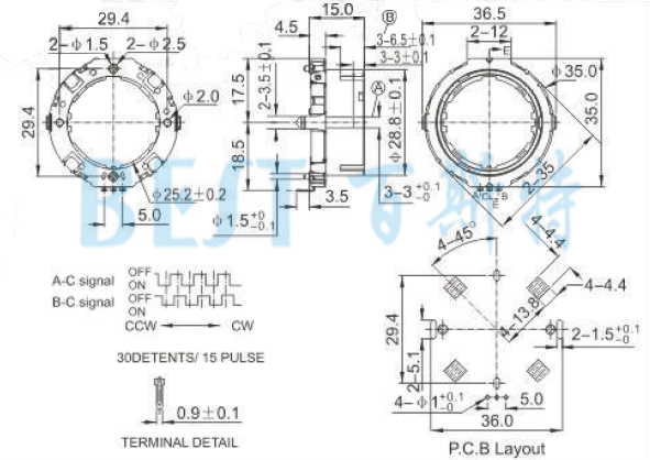
编码器EC35参考图纸



Copyright © 广东精密龙电子科技有限公司 版权所有 粤ICP备17035144号 粤公网安备44130202001184号
全国服务电话:0755-83205533 传真:0755-83761155
公司地址:深圳市龙岗区龙岗大道8288号深圳大运软件小镇45栋2楼

