


USB插座USB-C-04产品简介
type c母座具备以下特点:
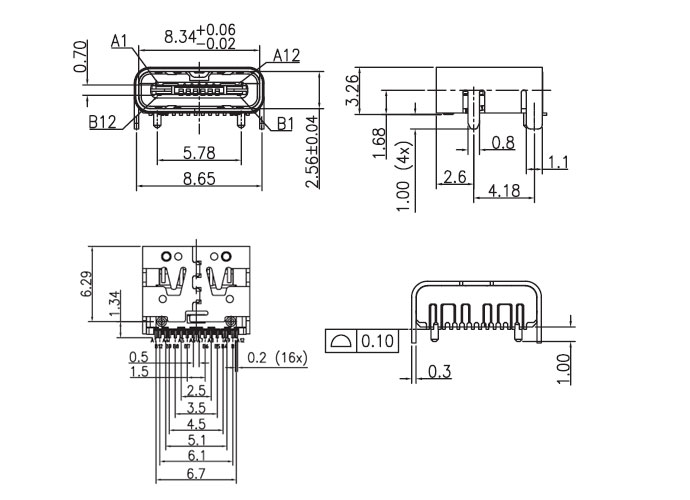
1、Type-C接口插座端的尺寸约为8.3mm×2.5mm纤薄设计;
2、最大数据传输速度达到10Gbit/秒,也是USB 3.1的标准;
3、支持从正反两面均可插入的“正反插”功能,可承受1万次反复插拔;
4、配备Type-C连接器的标准规格连接线可通过3A电流,同时还支持超出现有USB供电能力的“USB PD”,可以提供最大100W 的电力。
USB插座USB-C-04技术参数
使用温度范围:-55~85℃
耐压:100V AC
插拔力:5~20N
接触电阻:≤0.04Ω
绝缘电阻:≥100MΩ
寿命:10000次
USB插座USB-C-04参考图纸


Copyright © 广东精密龙电子科技有限公司 版权所有 粤ICP备17035144号 粤公网安备44130202001184号
全国服务电话:0755-83205533 传真:0755-83761155
公司地址:深圳市龙岗区龙岗大道8288号深圳大运软件小镇45栋2楼

